წყლის დონის მარეგულირებელი
დახასიათება
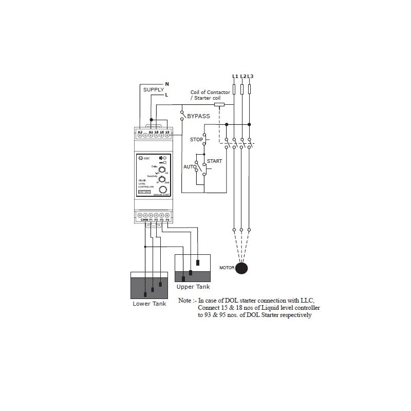
მოცემული პროდუქტის საშუალებით შესაძლებელია სითხის დონის რეგულირება
სითხეში ჩადის ნიშნულები და მათი საშუალებით რეგულირდება დონეები. როდესაც სითხე მიწვდება ზედა ნიშნულს რელე გაითიშება, ხოლო როდესაც სითხე ჩაცდება ქვედა დონეს რელე ჩაირთვება
მოცემულ რელეს გააჩნია წინაღობის რეგულირების ფართო დიაპაზონი რაც საშუალებას იძლევა ცუდ გამტარ სითხიეშიც უპრობლემოდ იმუშაოს. ასევე გააჩნია დროის დაყოვნება და ტესტის ღილაკი
ასევე შესაძლებელია ნიშნულების ორი წყვილის დაერთება და ამით ორი რეზერვუარის (წყლის მიმღები და შესავსები რეზერვუარები) კონტროლი
გამოყენების სფერო
- ჭაბურღილში წყლის დონის კონტროლისთვის
- ორთქლის ქვაბებში
- წყლის სისტემებში ავზებში წყლის დონის დასარეგულირებლად
აღწერა
წყლის დონის მარეგულირებელი
სითხეში ჩადის ნიშნულები და მათი საშუალებით რეგულირდება დონეები. როდესაც სითხე მიწვდება ზედა ნიშნულს რელე გაითიშება, ხოლო როდესაც სითხე ჩაცდება ქვედა დონეს რელე ჩაირთვება



